-
全风FB-3吸粉尘用防爆负压吸风机
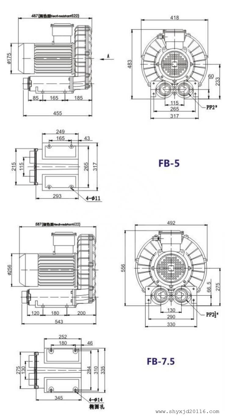
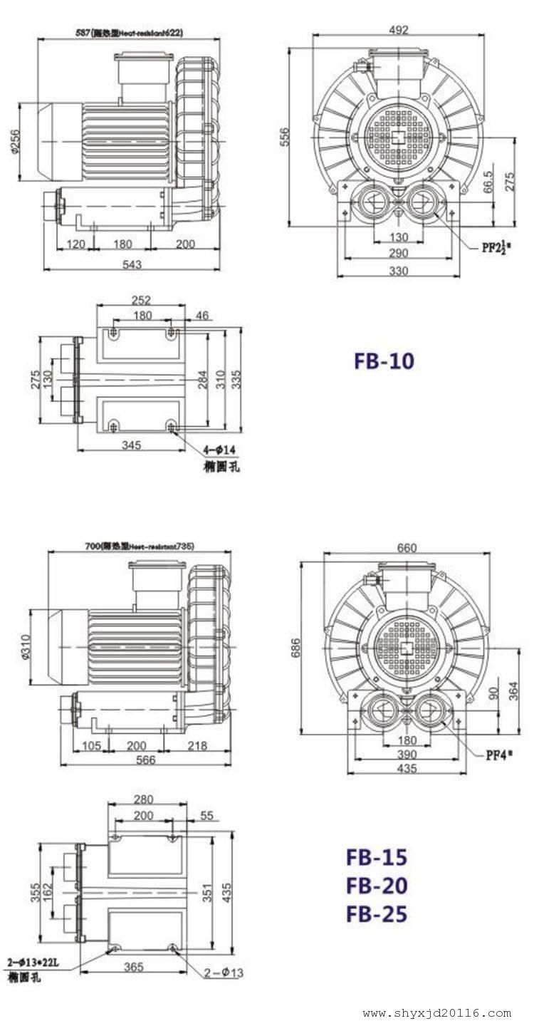
详细信息| 询价留言品牌:全风 型号:FB-3 材质:铸铝 风机压力:高压风机 性能:低噪音风机 用途:管道风机 叶片数:57 重量:74 kg 转速:2800 配套电机功率:2.2 kw 适用范围:化工 风量:300m3/H 风压:20Kpa 适用范围:化工 风量:300m3/H 全风FB-3吸粉尘用防爆负压吸风机
防爆风机优质的防爆鼓风机,整体铸铝制造;外观精致,适用于:化工厂,煤矿,隧道,锅炉,罐装,玻璃工业,通风排风,自动清洗,包装,鱼池供氧,曝气,垃圾分解,煤气输送,气体输送,环保养殖等。
气体防爆风机性能稳定,压力大,真空度强,密封度好,不漏气,无油气,有防爆证<电机马达>、安全可靠、铝合金铸造;输出的空气干净的,精度高;体积小,无污染。
防爆鼓风机工作原理:防爆旋涡风机-具有 吸送两用的旋涡风机,旋涡气泵特殊的叶片设计,具有压力高、风量大、低噪音、耐高温等特点。防爆风机绝缘性能强,安装容易,稳定性高。通过的气体无油、干燥。
防爆鼓风机主要用于煤矿、石油天然气、石油化工和化学工业。此外,在纺织、冶金、城市煤气、交通、粮油加工、造纸、医药等部门也被广泛应用。防爆电机作为主要的动力设备,通常用于驱动泵、风机、压缩机和其他传动机械。
防爆旋涡式气泵 :采用铝合金高压压铸生产,全球性同意电压设计50HZ/60hz共用性能稳定,低噪音,免维护,寿命更久,可保证风机运行更久。密封度好,不漏气,无油气,有防爆证、安全可靠、铝合金铸造;输出的空气干净的,精度高;体积小,百分之百无污染,机座是采用平行垂直散热片的结构,增大散热面积等多种电气、机械设计措施,在防尘防水方面比YB系列的IP54提高一个等级,使得电机的运行更加可靠。
全风FB-3吸粉尘用防爆负压吸风机
广泛应用于食品、医药及化工包装机械、纸箱包装及印刷机械、环保处理设备曝气、水产养殖、生物、农业生态工程、广告喷印设备、丝网印刷机、照相制版机、塑料橡胶机械及辅机、自动上料烘干机、食品饮料灌装机、粉末包装机、燃烧降氧机、卷烟滤嘴成型机、电镀槽液搅拌、雾化干燥机、电焊设备、纸张运送、工业干洗机、清洁用途、空气除尘、干瓶、气体 传送、送料、收集、环保水处理设备、中央集尘、空气处理设备、各类纺织与针织设备、布匹、板材、皮革裁切机械、工业清洗设备、农产品贮藏、冷冻工程、雾化干燥机、稀相气体输送等等机械设备领域。
使用和保养:
1,应放置在较平稳的地方,周围环境应清洁、干燥、通风。
2,叶轮旋转方向必须与风扇罩壳上所标箭头方向*。
3,工作时,工作压力不得大于8kpa,以免使气泵产生过大的热量和电动机超电流引起气泵损坏。
4,除电机转子两只轴承外,其它部位没有直接接触摩擦。本气泵轴承安装方式主要分二类。*类气泵端的轴承安装在电机机座和叶轮中间的泵体内,这类气泵平时不需要加润滑脂。第二类气泵端的轴承是安装在泵盖中间,此类气泵端的轴承应定期加润滑脂(7018高速润滑脂)。每月一次,对于三班连续工作的气泵应当增加加油次数。此类气泵电机风扇端的轴承维护保养按*类气泵。
5,进出气两端的过滤网和消音装置应根据情况适时清洗,以免堵塞影响使用。
6,进出气口外联接必须采用软管联接(如橡胶管、塑料弹簧管)。
7,轴承的更换:更换轴承必须由熟悉修理工作的人进行操作。先拧松泵盖上的螺钉,然后按图示顺序逐一拆卸零件,拆下的零件应经过清洗,然后按反顺序装配。拆卸时,不能硬撬叶轮,应用拉马拉出,同时不要遗漏调节垫片,以免影响出厂时已调节器好的间隙。
8,防爆旋涡气泵严禁固体、液体及有腐蚀气体进入泵体。
-
-
产品搜索
自定义内容
江苏全风环保科技有限公司
上海全风实业有限公司
上海与鑫机电科技有限公司
联系人:张新亮
联系
公司地址:江苏省江阴市青阳工业园区润阳路8号留 言
- 联系人:张经理
- 电 话:15852651475
- 手 机:15852651475
- 传 真:0510-81612023
- 地 址:常州市武进区牛塘镇高家路33号3幢(绿建区)
- 网 址: https://shyxjd20116.cn.goepe.com/
http://www.shyxjd20116.com
-
供应产品
-
TB200-20大功率铝合金吹料送风透浦式中压鼓风机TWYX -
RB-033高温鼓风机 抽吸蒸汽输送排气高压风泵TWYX -
TWYX工业磨床除尘器 脉冲清灰滤筒集尘机MCJC-5500 -
CX-100H风奈尔1.5KW高温隔热输送气体中压鼓风机 -
风奈尔5.5KW大风量高压鼓风机 洗瓶机吹水旋涡气泵RB-83D-2 -
吹水风刀配套高压漩涡风机风奈尔RB-81D-2 -
MCJC-2200-6工业脉冲集尘器2.2KW粉尘吸尘器TWYX -
RB-81D-2负压真空上料漩涡风机 5.5KW高压风机风奈尔 -
3RB开料机变频真空泵风奈尔 -
MCJC-2200-6磨料造粒用粉尘集尘机 磨床反吹集尘器TWYX -
风奈尔高压鼓风机 灌装机吹干漩涡风机RB-81D-2 -
TWYX漩涡气泵 吸吹气体循环高压风机RB-81D-2 -
RB-91D-3肥料发酵曝气高压鼓风机风奈尔 -
RB-71D-4抽气高压漩涡风机风奈尔 -
PF150-2离心式铝合金鼓风机TWYX -
TWYXCX-7.5大功率管道抽气中压风机 -
TWYX真空上料高压漩涡风机 5.5千瓦旋涡气泵RB-81D-2 -
TWYX抽气循环高压风机RB-91D-1 -
RB-35SH-4木工雕刻真空吸附漩涡气泵 变频高转速真空泵TWYX -
全风环保RB-42S-2水池液体搅拌曝气高压风机
-
公司介绍
江苏全风环保科技有限公司是*的高压风机,环保风机,环形高压风机,防爆高压风机厂家。公司位于常州市武进区牛塘镇高家路33号3幢(绿建区)
地处中国经济*为活跃地区之一“长角洲”黄金地段,借助周边地区先进的经营理念和自身不断的科技创新,铸就了 ,江苏全风环保科技有限公司近年来在鼓风机行业中飞速发展。作为一家集研发、生产、销售为一体的风机*生产厂家,拥有一批*的研发团队,高素质的技术人员和管理人才,并有先进的生产加工和检测设备。工厂*研制:环形高压鼓风机,透浦式中压鼓风机,直叶式鼓风机,多翼式鼓风机,冷却风扇及工业用吸尘机。经过多年的技术研发和创新,我公司与2009年隆重推出第二代新产品,其中环形高压风机压力比*代增大30%,品质,性能同步升级,以“TWYX”新品牌投放市场。















